Stored-Product Psocid
Introduction
Over the last decade, psocids have emerged worldwide as serious stored-product pests. Most psocid pests of stored products are in the genus Liposcelis (Liposcelididae). Psocid species known to infest grain in North America (Sinha 1988, Mockford 1993, Lienhard and Smithers 2002) are Lepinotus reticulatus , Liposcelis bostrychophila, Liposcelis brunnea, Liposcelis corrodens, Liposcelis decolor, Liposcelis entomophila, Liposcelis paeta, and Liposcelis rugosa; all except Liposcelis rugosa have been reported in the United States. It is common knowledge that effective pest management begins with proper pest identification. In the case of psocids, which are tiny and infestations usually comprise multiple species, identification is not straightforward. Therefore, the goal of this website is to facilitate identification of stored-product psocids and to provide information on psocid biology and control.
PSOCID ID: Biology, Ecology & Management of PSOCIDS
Nayak, M. K., P. J. Collins, J. E. Throne, and J. J. Wang. 2014. Biology and management of psocids infesting stored products. Annual Review of Entomology 59:279–297
Opit, G. P. and S. G. Gautam. 2023. Psocids as Global Pests of Stored Products: Biology and Ecology of Stored-Product Psocids. CABI, Wallingford, Oxfordshire, UK.
The identification of stored-product psocids presented is based on the infra-generic classification of Badonnel where a given species is placed in a section, group, and subgroup based on morphological characteristics; the descriptions of various morphological characters presented in this website are based on Mockford (1993). The psocids featured here are those that have, to date, been found associated with grain storages and grain processing facilities in the U.S. by our research group.
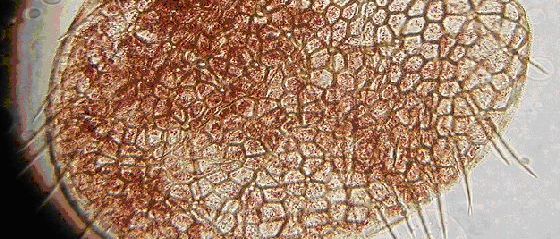
- Liposcelis brunnea Motschulsky (Section I, Group A, subgroup Aa)
- Abdominal terga 3-4 not with a posterior membranous band (at least in the middle)
- Posterior part of abdomen darkened (abd. 8-10)
- The shoulder bristle (S1) is long and strong
- has a single supplementary bristle on each lateral pronotal lobe
- has a single supplementary bristle on each lateral pronotal lobe
- All prosternal bristles anterior to middle of prosternum
- 7 ommatidia
- Areoles of vertex - transverse areoles with finely granulate surfaces separated by
fine lines
- Has two long curved acuminate (gradually tapering to a sharp point) setae on epiproct
- Abdominal areoles - transverse areoles with finely granulate surfaces separated by
fine lines
- Liposcelis decolor (Pearman) (Section I, Group B, subgroup Bb)
- Abdominal terga 3-4 not with a posterior membranous band (at least in the middle)
- Abdominal terga 5-8 clearly annulated (anterior potions darker - sclerotized)
- The shoulder bristle (S1) is long and strong
- has NO supplementary bristles on each lateral pronotal lobe
- has NO supplementary bristles on each lateral pronotal lobe
- All prosternal bristles anterior to middle of prosternum
- 7 ommatidia
- Areoles of vertex (transverse)
- fairly wide antero-posteriorly
- are separated by ridges
- bear small nodules forming antero-posteriorly oriented wavy lines
- Abdominal areoles
- nodules of abdominal terga the same size or slightly larger than those of the vertex
- are weakly grouped into areoles separated by clear lines
- Liposcelis entomophila (Enderlein) (Section I, Group A, subgroup Ab)
- Abdominal terga 3-4 not with a posterior membranous band (at least in the middle)
- Abdominal terga with purplish markings on the side (fading in the middle)
- The shoulder bristle (S1) is long and strong
- has 4 supplementary bristles on each lateral pronotal lobe
- has 4 supplementary bristles on each lateral pronotal lobe
- All prosternal bristles anterior to middle of prosternum
- 8 ommatidia
- Areoles of vertex (transverse)
- with intermediate sized nodules
- are separated by ridges
- Abdominal terga
- with much larger nodules than those of the vertex
- nodules do not form areoles psocid detail, x400
- Liposcelis fusciceps Badonnel (Section I, Group A, subgroup Ab)
- Abdominal terga 3-4 not with a posterior membranous band (at least in the middle)
- Abdominal terga 3-8 have an obvious sclerotized strip along anterior margin
- The shoulder bristle (S1) is long and strong
- has 2 supplementary bristles on each lateral pronotal lobe
- has 2 supplementary bristles on each lateral pronotal lobe
- All prosternal bristles anterior to middle of prosternum
- 8 ommatidia
- Areoles of vertex
- are medium brown with a reddish tinge (the color of the head)
- most of the areoles of vertex bearing moderately sized nodules
- postero-central areoles bear fine granulations
- Meso-metathoracic and abdominal terga sculpture are uniformly covered with compact
nodules that do not form areoles
- Liposcelis paeta Pearman (section II, Group D)
- Abdominal terga 3-4 with a posterior membranous band
- Color white to pale yellow; head and thorax darker than abdomen
- The shoulder bristle is small and inconspicuous
- Has a lateral pair of prosternal bristles located posterior to the middle of prosternum
- 3 ommatidia
- Areoles of vertex
- are arched forward bearing small nodules
- the nodules are continuous along anterior margins of most areoles
- separated by thin clear lines
- Abdominal areoles
- transversely oriented
- bear small nodules in one to three rows
- separated by lines of minute nodules or granules
- Liposcelis bostrychophila Badonnel (section II, Group D)
- Abdominal terga 3-4 with a posterior membranous band
- Sclerotized areas of body pale to medium brown; head and thorax darker than abdomen
- The shoulder bristle (S1) is short and not much longer than other setae of edge of
lateral lobe of pronotum
- Has a lateral pair of prosternal bristles located posterior to the middle of prosternum
- 7 ommatidia
- Areoles of vertex
- are arched forward
- separated by narrow lines of thin cuticle
- have relatively large nodules
- Abdominal areoles are similar to areoles of the vertex except they are more transversely
oriented
- Liposcelis corrodens Heymons (Section II, Group D)
- Abdominal terga 3-4 with a posterior membranous band
- Sclerotized areas grayish brown; antennae and palpi paler
- The shoulder bristle (S1) is relatively long, 1.5 to 2 times the length of other setae
on lateral lobe of pronotum
- Has a lateral pair of prosternal bristles located posterior to the middle of prosternum
- 7 ommatidia
- Areoles of vertex
- arched forward
- separated by depressed lines
- have small nodules
- Abdominal areoles
- separated by depressed lines
- have one to three rows of small nodules
Lepinotus reticulatus
- Lepinotus reticulatus Enderlein (Psocoptera: Trogiidae)
- Reticulated winglet
Psocids belonging to the families Liposcelididae and Trogiidae are responsible for most of the psocid-related problems associated with stored products in the U.S. Lepinotus reticulatus belongs to family Trogiidae, whereas psocids of genus Liposcelis belong to the family Liposcelididae. L. reticulatus goes through four nymphal stages during its development from egg to adult; at 32.5°C (90.5°F) development is completed in 23 days (Opit et al. 2008a). L. reticulatus does not survive at relative humidities of 55% or less (Opit et al. 2008a). On oats, L. reticulatus population can increase 35-fold in a month, and on rice, barley, milo, and wheat it can increase 27-fold (Opit et al. 2008b).
Literature Cited
- Opit, G.P. and J.E. Throne. 2008a. Population growth and development of the psocid Lepinotus reticulatus at constant temperatures and relative humidities. Journal of Economic Entomology 101: 605-615.
- Opit, G.P. and J.E. Throne. 2008b. Effects of diet on population growth of the psocids Lepinotus reticulatus and Liposcelis entomophila. Journal of Economic Entomology 101: 616-622.











































